主要特點
●環境溫度:最低-60℃,最高+85℃
●法蘭尺寸:28/42/57/60/86mm
●保持扭力:0.1至7.5牛頓米
●客製選項:位置回饋、安全煞車、無標記軸
選項
●安全煞車
●編碼器回饋
●整合步進驅動器
應用程式
●生物醫學
●半導體製造
●3C製造
●科學儀器
●真空設備
●核能
●軍事和航空航太
●汽車零件測試
●通用自動化

KHB系列步進電機
28/42/57/86毫米
51/60/76/84/118
D = 單軸
SZ = 雙軸
空白 = 無煞車
B = 附煞車
空白 = 無回饋
R = 帶有解析器回饋
XXXXX:特殊設計識別碼
*不可能在一台馬達上同時安裝煞車裝置和位置回授裝置。
Kingsni 可提供訊號轉換器,將旋轉變壓器訊號轉換為 RS485 輸出或 A/B 增量脈衝輸出。
技術規格
| 型號 | 馬達長度 (毫米) | 目前的 (RMS,A) | 反抗 (哦) | 電感 (毫亨) | 保持扭矩 (牛頓米) | 轉子慣性 (克·立方公分) | 大量的 (公斤) | 電纜直徑 (毫米,含護罩) | IP等級 |
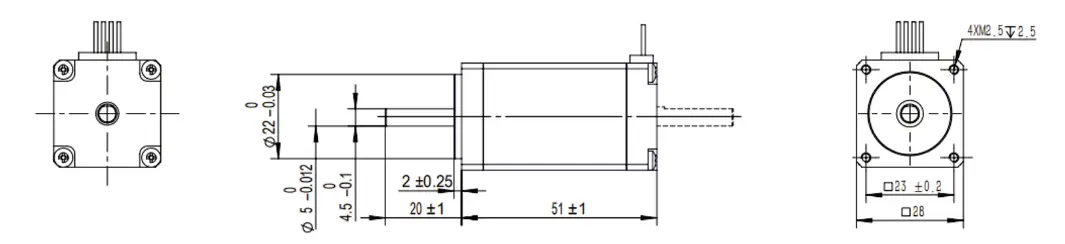
| KHB2851D | 51 | 0.8 | 8.55 | 8.61 | 0.1 | 18 | 0.2 | - | IP40 |
尺寸圖

扭力-轉速曲線
規格
| 型號 | 馬達長度 (毫米) | 目前的 (RMS,A) | 反抗 (哦) | 電感 (毫亨) | 保持扭矩 (牛頓米) | 轉子慣性 (克·立方公分) | 大量的 (公斤) | 電纜直徑 (毫米,含護罩) | IP等級 |
| KHB4260D | 60 | 1.3 | 3.15 | 4.65 | 0.5 | 102 | 0.5 | 4.5 | IP65 |
尺寸圖

扭力-轉速曲線

規格
| 型號 | 馬達長度 (毫米) | 目前的 (RMS,A) | 反抗 (哦) | 電感 (毫亨) | 保持扭矩 (牛頓米) | 轉子慣性 (克·立方公分) | 大量的 (公斤) | 電纜直徑 (毫米,含護罩) | IP等級 |
| KHB5776D | 76 | 1.3 | 3.0 | 1.62 | 1.4 | 480 | 1.0 | 5.0 | IP65 |
尺寸圖

扭力-轉速曲線

規格
| 型號 | 馬達長度 (毫米) | 目前的 (RMS,A) | 反抗 (哦) | 電感 (毫亨) | 保持扭矩 (牛頓米) | 轉子慣性 (克·立方公分) | 大量的 (公斤) | 電纜直徑 (毫米,含護罩) | IP等級 |
| KHB6084D | 84 | 3.5 | 1.22 | 3.97 | 2.2 | 840 | 1.3 | 5.0 | IP65 |
尺寸圖

扭力-轉速曲線
規格
| 型號 | 馬達長度 (毫米) | 目前的 (RMS,A) | 反抗 (哦) | 電感 (毫亨) | 保持扭矩 (牛頓米) | 轉子慣性 (克·立方公分) | 大量的 (公斤) | 電纜直徑 (毫米,含護罩) | IP等級 |
| KHB86118D | 118 | 6.0 | 0.73 | 6.05 | 7.5 | 2700 | 3.9 | 6.0 | IP65 |
尺寸圖

扭力-轉速曲線






